LED chaser
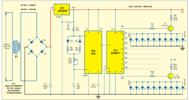
The shown circuit creates a set of moving LED lights, which you can add in any order according to your art. This whole group is 100 LEDs and has 10 categories. Which glows one after one.
The transformer reduces the value of the AC mains to 12V. And Diode D1 to D4 work as rectifier. C1 works as a filter and then from regulator 7805, we get a regular 5V gain, from which our circuit runs.
The transformer reduces the value of the AC mains to 12V. And Diode D1 to D4 work as rectifier. C1 works as a filter and then from regulator 7805, we get a regular 5V gain, from which our circuit runs.
555 (IC2) is designed to give a regular square wave, which generates a rotating wave of 1 Hz. This wave is given to CD4017. CD4017 is a Johnson counter that moves one step further on every wave.
At each of its points, one transistor has been applied which is Q0, Q1, Q2, ....... Q9. Every transistor glows 10 LEDs. Therefore 10 LEDs glow once and then forward 10. And such a category keeps moving.
The speed can be reduced or increased from VR1. After the tenth transistor, the first transistor turns ON again and this cycle continues. To get more attraction, each series can have different color LEDs in it.
Author: - Anirudh Kumar Sharma
--- Ani-Lab ---

No comments